
DZL起爐蓋電磁鐵
概述
專用于焦自動注煤機爐蓋的自動開關裝置,采用專用爐蓋電磁鐵是開,關閉爐蓋不可或缺的專用配套產品,帶有信號反饋裝置。
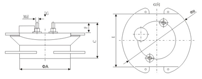
主要技術參數 Main specifications
專用于焦自動注煤機爐蓋的自動開關裝置,采用專用爐蓋電磁鐵是開,關閉爐蓋不可或缺的專用配套產品,帶有信號反饋裝置。


主要技術參數 Main specifications
分享到: